授权公布号:CN205170854U
粉浆与蒸煮醪进行热交换的膜式冷却系统
有效
申请
2015-10-27
申请公布
1970-01-01
授权
2016-04-20
预估到期
2025-10-27
| 申请号 | CN201520839652.4 |
| 申请日 | 2015-10-27 |
| 授权公布号 | CN205170854U |
| 授权公告日 | 2016-04-20 |
| 分类号 | C12M1/38 |
| 分类 | 生物化学;啤酒;烈性酒;果汁酒;醋;微生物学;酶学;突变或遗传工程; |
| 申请人名称 | 宿州市皖神面制品有限公司 |
| 申请人地址 | 安徽省宿州市埇桥区东十里皖神循环工业园 |
专利法律状态
2016-04-20
授权
状态信息
授权
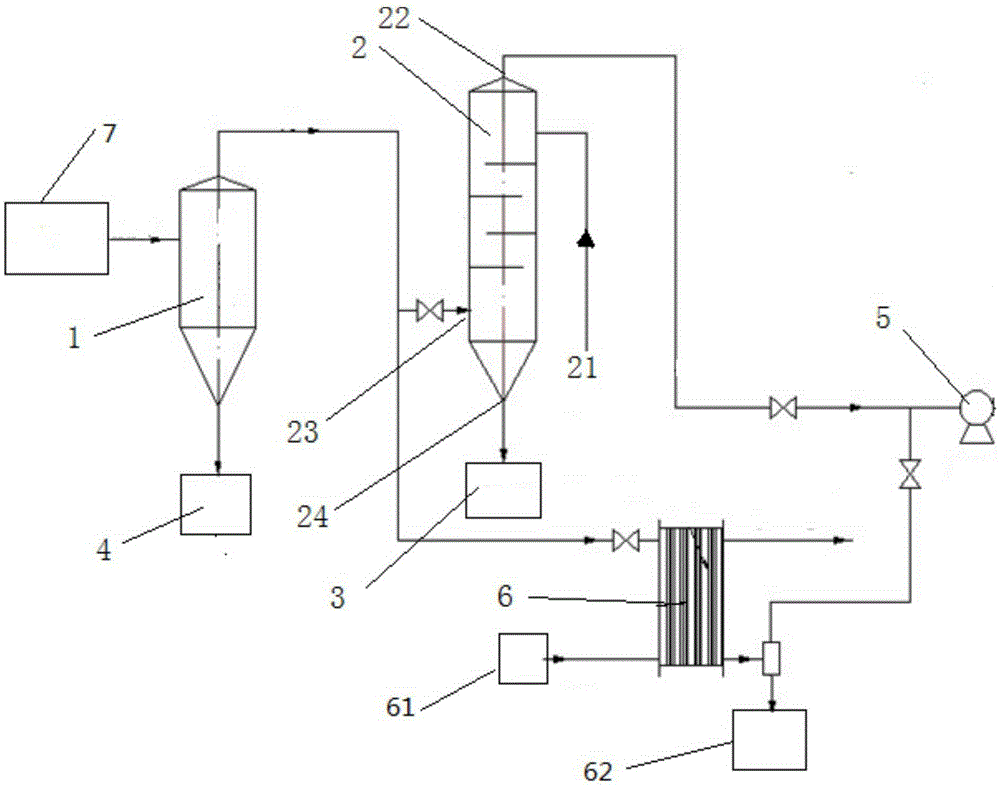
摘要
本实用新型提供的粉浆与蒸煮醪进行热交换的膜式冷却系统,包括真空分离器、膜式塔、拌料绞龙、糖化罐、真空泵;所述真空分离器分别与糖化罐、膜式塔连接;所述膜式塔分别与拌料绞龙、真空泵连接;所述真空泵与糖化罐连接;所述真空分离器引入蒸煮醪;所述膜式塔引入粉浆。与现有技术相比,本系统利用采用生产谷朊粉或淀粉的下脚料——粉浆代替水,充分使热能梯级利用,在降低蒸煮醪温度的同时,粉浆自身温度提高,各取所需,真正做到节能减排清洁生产要求。


