授权公布号:CN211246468U
一种远程输送氢氧化钠的系统
有效
申请
2019-10-25
申请公布
1970-01-01
授权
2020-08-14
预估到期
2029-10-25
| 申请号 | CN201921805468.2 |
| 申请日 | 2019-10-25 |
| 授权公布号 | CN211246468U |
| 授权公告日 | 2020-08-14 |
| 分类号 | B01J4/00 |
| 分类 | 一般的物理或化学的方法或装置; |
| 申请人名称 | 沈阳张明化工有限公司 |
| 申请人地址 | 辽宁省沈阳市沈阳经济技术开发区彰驿站镇前庙三台村 |
专利法律状态
2020-08-14
授权
状态信息
授权
摘要
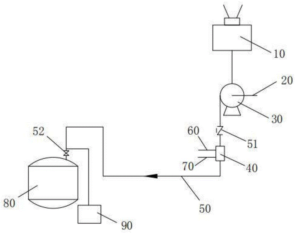
本实用新型涉及异辛酸生产设备领域,一种远程输送氢氧化钠的系统,其中输料管的末端连接在反应釜的顶部,输料管的头段为竖直向上开设,粉碎机的出料口连接研磨泵的进料口,研磨泵的出料口连接输料管的头端,异辛醇输入管的出料端与研磨泵的输送腔室连通,功能管段设置在所述输料管的竖直头段处,功能管段内壁设有至少一个横截面为直角三角形的止水结构,止水结构的底部形成下端面,止水结构的下端面靠近功能管段内壁处设有向上的环形凹槽,水管连接在功能管段靠近环形凹槽处,且水管的延伸方向朝向环形凹槽的槽底,气管设置在功能管段中止水结构的上方。本系统自动化输送氢氧化钠,输送完毕后还可以实现自清洁,避免管线内沉积结渣。


