授权公布号:CN211358827U
一种汽车制动液加工用废渣清理装置
有效
申请
2019-11-27
申请公布
1970-01-01
授权
2020-08-28
预估到期
2029-11-27
| 申请号 | CN201922081137.5 |
| 申请日 | 2019-11-27 |
| 授权公布号 | CN211358827U |
| 授权公告日 | 2020-08-28 |
| 分类号 | B01J19/18 |
| 分类 | 一般的物理或化学的方法或装置; |
| 申请人名称 | 沈阳奥吉娜化工有限公司 |
| 申请人地址 | 辽宁省沈阳市于洪区沈新路108号 |
专利法律状态
2020-08-28
授权
状态信息
授权
摘要
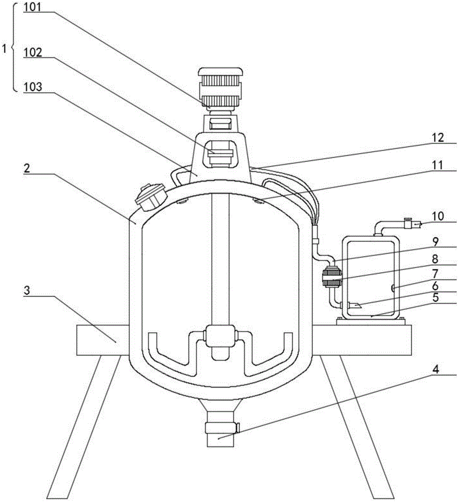
本实用新型公开了一种汽车制动液加工用废渣清理装置,包括聚合釜,所述聚合釜顶部固定安装有驱动机构,所述聚合釜底部固定安装有出料口,所述聚合釜外表壁固定安装有固定架。本实用新型中,在加工完全后,反应物从出料口排出聚合釜,此时同时开启驱动机构与高压泵,高压泵通过进液管将储液箱内的清理液抽吸到出液管,出液管通过传递管道将清理液传递到各个喷头,喷头将清理液在聚合釜内喷射,而此时驱动机构通过搅拌装置带动清理液在聚合釜内产生涡流,涡流配合高压喷洒使得废渣完整的脱离聚合釜内壁与搅拌装置外表壁,从而完成废渣清理,提高了清理效果。


