授权公布号:CN217194300U
一种手工焊条用螺旋绞刀磨床
有效
申请
2022-01-19
申请公布
1970-01-01
授权
2022-08-16
预估到期
2032-01-19
| 申请号 | CN202220149834.9 |
| 申请日 | 2022-01-19 |
| 授权公布号 | CN217194300U |
| 授权公告日 | 2022-08-16 |
| 分类号 | B24B3/18;B24B41/06;B24B41/04;B24B27/00 |
| 分类 | 磨削;抛光; |
| 申请人名称 | 四川大西洋焊接材料股份有限公司 |
| 申请人地址 | 四川省自贡市自流井区丹阳街1号 |
专利法律状态
2022-08-16
授权
状态信息
授权
摘要
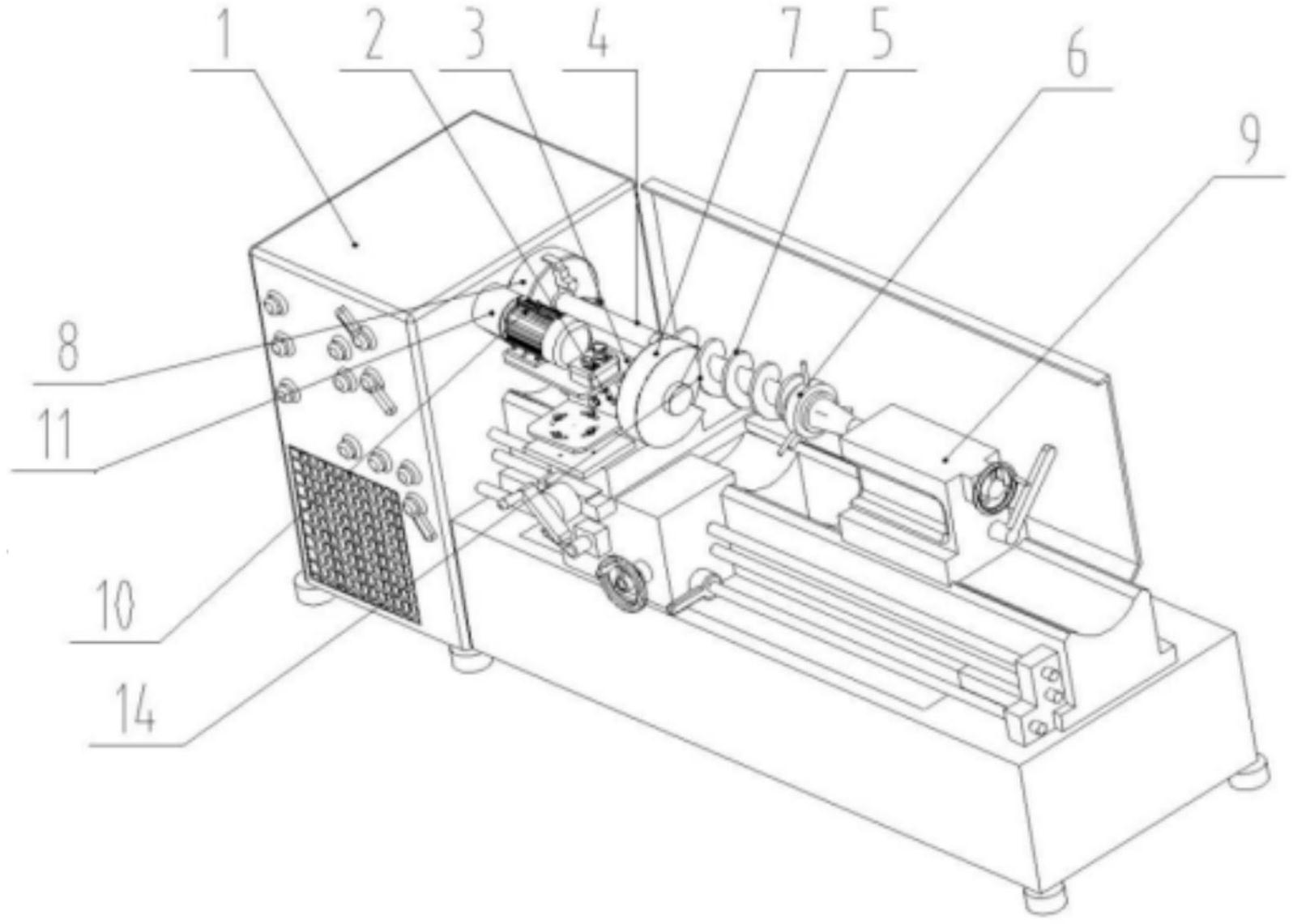
本实用新型公开了一种手工焊条用螺旋绞刀磨床,包括车床本体,所述车床本体的前侧设有溜板箱,且溜板箱上端通过螺栓固定连接有砂轮支架,所述砂轮支架的后侧中部开有连接矩形口,所述连接矩形口的内部连接有磨削头机构,所述砂轮支架的上端左侧固定连接有电机,所述砂轮支架的右端通过转轴连接有砂轮,且砂轮的转轴左端固定连接有传动盘,所述传动盘外侧通过三角带与皮带轮传动连接,所述皮带轮固定连接在电机的转轴上,所述车床本体的主轴箱右端上部连接有车床三爪卡盘,所述车床三爪卡盘固定加持有芯轴。通过设备整体结构,各部位结构与车床的有效衔接,保证整个装置的可控性,同时降低操作人员劳动负荷、提高生产效率。


