授权公布号:CN113455555B
一种黄山毛峰的制作方法
有效
申请
2021-07-02
申请公布
2021-10-01
授权
2023-10-10
预估到期
2041-07-02
| 申请号 | CN202110752910.5 |
| 申请日 | 2021-07-02 |
| 申请公布号 | CN113455555A |
| 申请公布日 | 2021-10-01 |
| 授权公布号 | CN113455555B |
| 授权公告日 | 2023-10-10 |
| 分类号 | A23F3/06;A23F3/12 |
| 分类 | 其他类不包含的食品或食料;及其处理; |
| 申请人名称 | 黄山光明茶业有限公司 |
| 申请人地址 | 安徽省黄山市徽州区迎宾大道118号 |
专利法律状态
2023-10-10
授权
状态信息
授权
2021-10-26
实质审查的生效
状态信息
实质审查的生效;IPC(主分类):A23F3/06;申请日:20210702
2021-10-01
公布
状态信息
公布
摘要
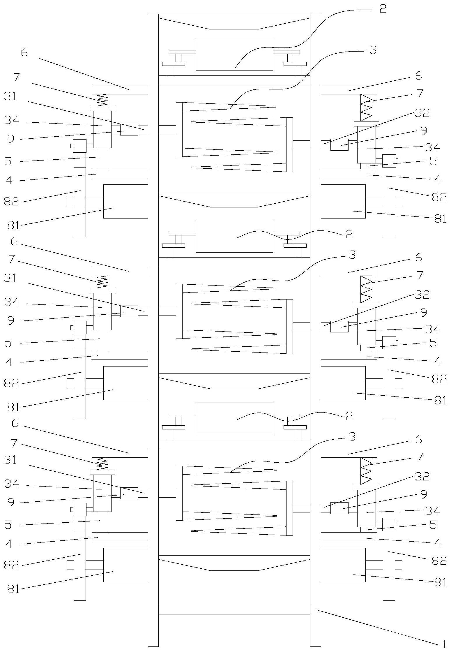
本发明公开了一种黄山毛峰的制作方法,包括鲜叶采摘、摊青、杀青、揉捻、滚形、理条、回潮、炒形、除杂、窨香和提香工序,通过杀青、揉捻工序的调整和立体连续揉捻机组的结构设计应用,实现对黄山毛峰进行三炒、三揉和三烘的制作加工,代替传统手工操作,从而使制成的黄山毛峰茶,条形圆直紧实、滋味鲜醇、花香浓郁、焦茶少、断碎低,可广泛应用于黄山毛峰制备领域。


