授权公布号:CN213176672U
斜齿轮螺旋伞齿轮减速机
有效
申请
2020-09-24
申请公布
1970-01-01
授权
2021-05-11
预估到期
2030-09-24
| 申请号 | CN202022123281.3 |
| 申请日 | 2020-09-24 |
| 授权公布号 | CN213176672U |
| 授权公告日 | 2021-05-11 |
| 分类号 | F16H1/22 |
| 分类 | 工程元件或部件;为产生和保持机器或设备的有效运行的一般措施;一般绝热; |
| 申请人名称 | 泰星减速机股份有限公司 |
| 申请人地址 | 江苏省泰州市泰兴市姚王镇泰姚北路10号 |
专利法律状态
2021-05-11
授权
状态信息
授权
摘要
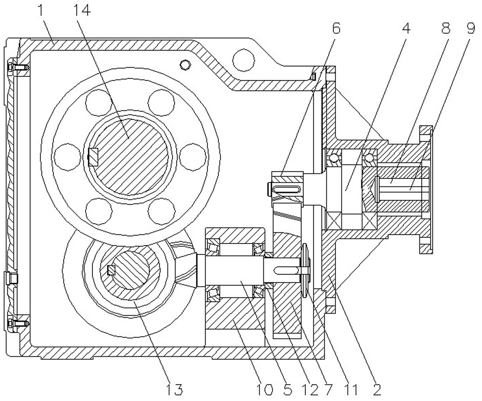
本实用新型涉及减速机领域,公开了斜齿轮螺旋伞齿轮减速机。在减速机的输入端安装法兰支架,用于安装电机,通过在输入轴上设置内孔和键槽,将输入轴与电机直连,便于电机的安装,提高稳定性;在减速的输出端设置法兰盘,便于减速机的温度安装。本技术方案能够适应矿山提升的环境需求,能够使稳固安装,且结构简单,使用方便,可靠性高。


