授权公布号:CN213176674U
复合轧辊齿轮箱
有效
申请
2020-09-24
申请公布
1970-01-01
授权
2021-05-11
预估到期
2030-09-24
| 申请号 | CN202022123305.5 |
| 申请日 | 2020-09-24 |
| 授权公布号 | CN213176674U |
| 授权公告日 | 2021-05-11 |
| 分类号 | F16H1/22;F16H57/023;F16H57/02 |
| 分类 | 工程元件或部件;为产生和保持机器或设备的有效运行的一般措施;一般绝热; |
| 申请人名称 | 泰星减速机股份有限公司 |
| 申请人地址 | 江苏省泰州市泰兴市姚王镇泰姚北路10号 |
专利法律状态
2021-05-11
授权
状态信息
授权
摘要
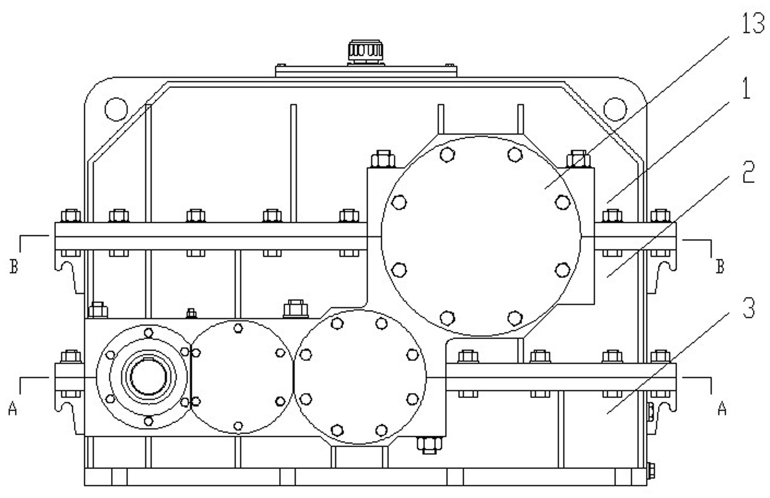
本实用新型涉及减速机领域,提供了复合轧辊齿轮箱。将输出减速传动部分安装在下、中箱体内,将同步输出传动装置安装在中、上箱体间,将两级传动分层设置,传动装置的各轴均平行设置,能够有效缩短齿轮箱的宽度,减少其体积。通过三级减速传动后输出,能够提高其输出扭矩,适用各类金属轧制的需求。


