授权公布号:CN207957541U
起重机靠紧轮装置
有效
申请
2018-03-12
申请公布
1970-01-01
授权
2018-10-12
预估到期
2028-03-12
| 申请号 | CN201820337773.2 |
| 申请日 | 2018-03-12 |
| 授权公布号 | CN207957541U |
| 授权公告日 | 2018-10-12 |
| 分类号 | B66C9/08;B66C13/16 |
| 分类 | 卷扬;提升;牵引; |
| 申请人名称 | 常州市常欣电子衡器有限公司 |
| 申请人地址 | 江苏省常州市新北区薛家镇汉江路666号 |
专利法律状态
2018-10-12
授权
状态信息
授权
摘要
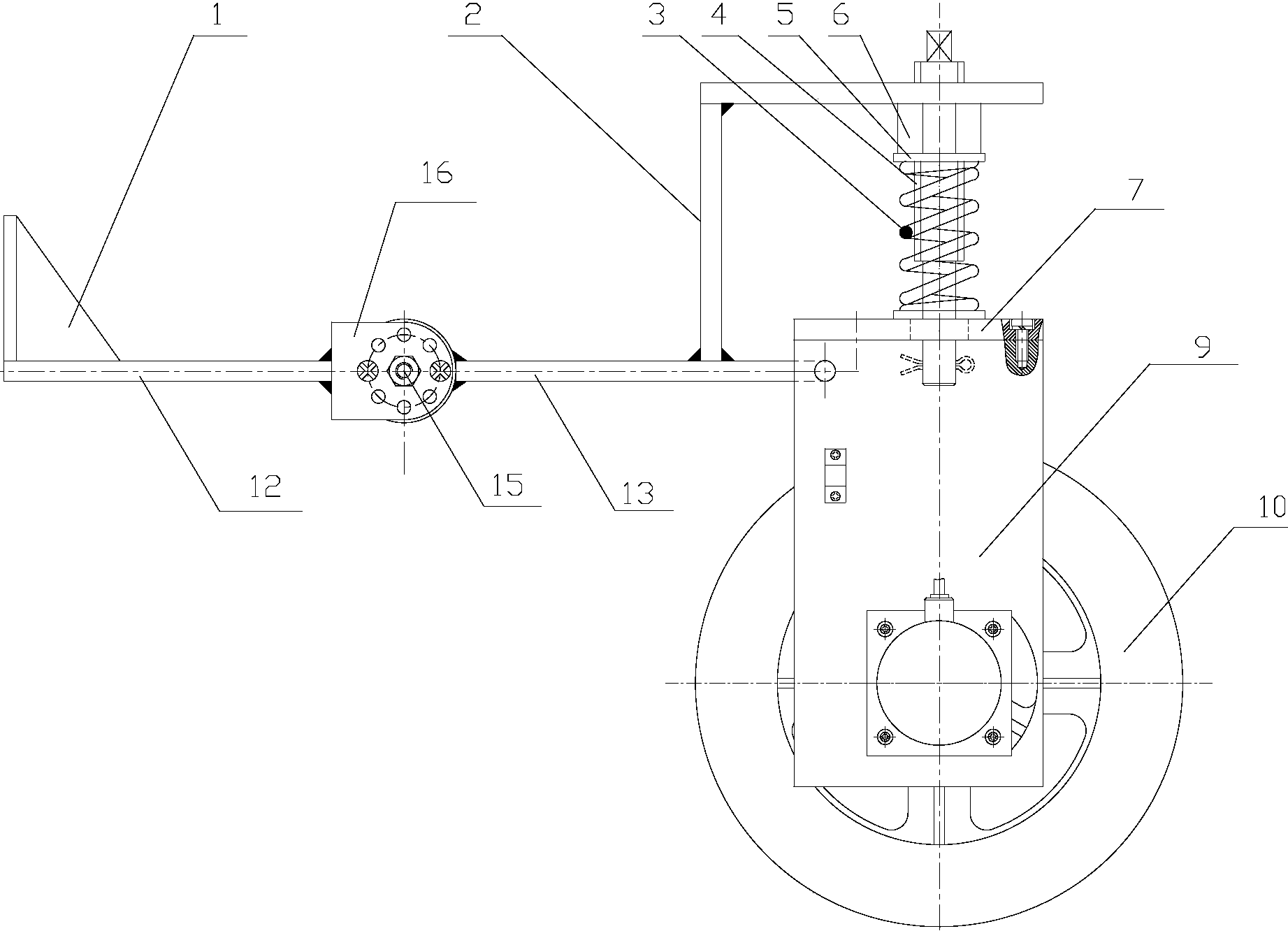
本实用新型涉及一种起重机靠紧轮装置,包括滚轮组件、预紧组件及连杆组件,所述滚轮组件包括滚轮、安装架、轴及编码器,所述预紧组件包括压缩弹簧、螺杆及螺母,通过旋转螺母使压缩弹簧收缩来控制滚轮与接触面的摩擦力,所述连杆组件包括双头螺杆、连接板及安装轴,所述安装轴固定在连接板内,所述双头螺杆包括第一螺杆及第二螺杆,所述第一螺杆、第二螺杆分别与安装轴旋转连接,所述第二螺杆与安装架固定连接。该起重机靠紧轮装置结构简单、安装方便、测量精度佳、适用范围广。


