授权公布号:CN109066615B
二芯电源线的断线保护器
有效
申请
2018-09-05
申请公布
2018-12-21
授权
2024-02-06
预估到期
2038-09-05
| 申请号 | CN201811031436.1 |
| 申请日 | 2018-09-05 |
| 申请公布号 | CN109066615A |
| 申请公布日 | 2018-12-21 |
| 授权公布号 | CN109066615B |
| 授权公告日 | 2024-02-06 |
| 分类号 | H02H7/26;H02H9/08;H02H9/04;H02H3/04 |
| 分类 | 发电、变电或配电; |
| 申请人名称 | 成都彩虹电器(集团)股份有限公司 |
| 申请人地址 | 四川省成都市武侯区武侯大道顺江段73号 |
专利法律状态
2024-02-06
授权
状态信息
授权
2019-01-15
实质审查的生效
状态信息
实质审查的生效;IPC(主分类):H02H7/26;申请日:20180905
2018-12-21
公布
状态信息
公布
摘要
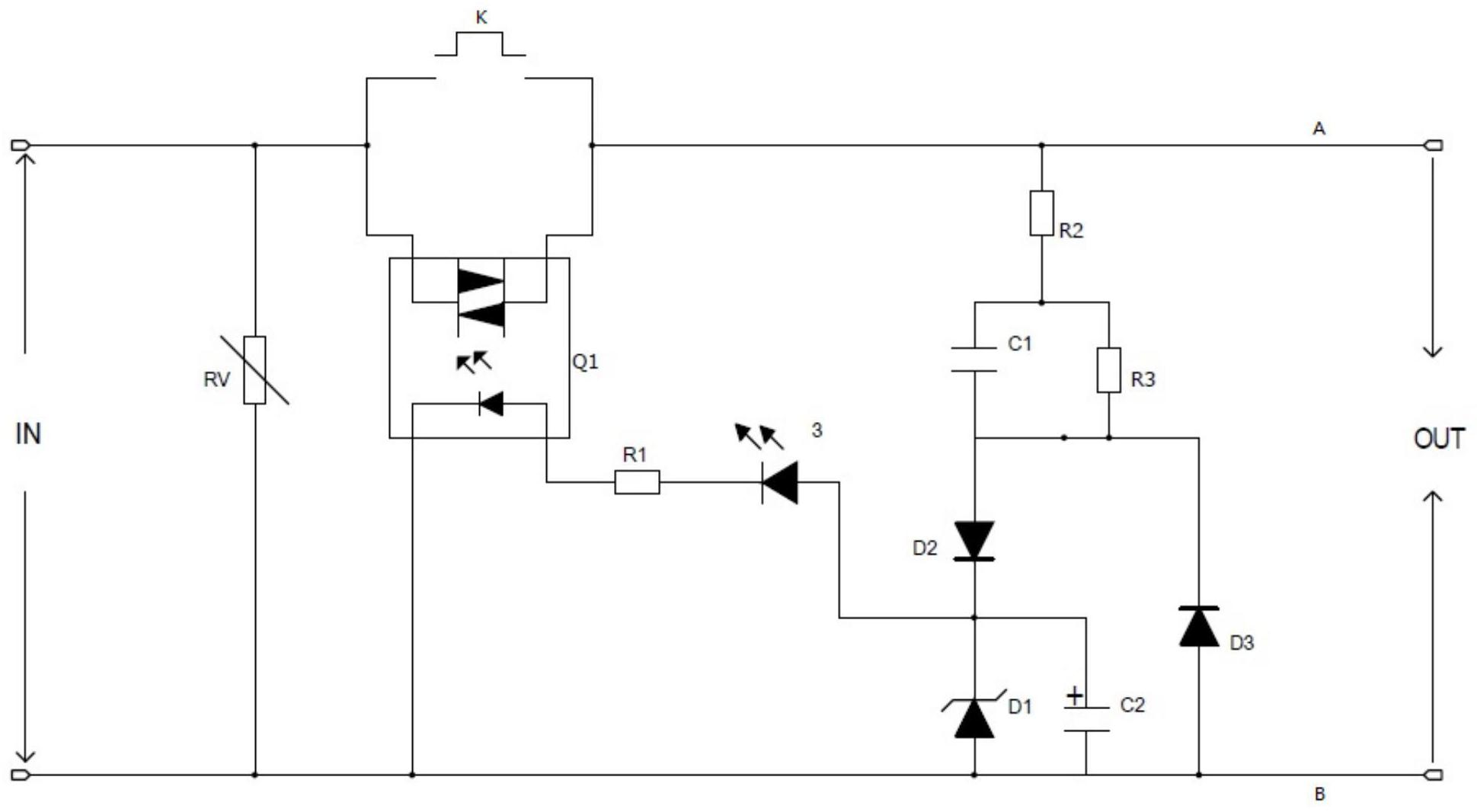
本发明公开了二芯电源线的断线保护器,通过开关控制电路控住二芯电源线线路上的通断;电源电流通过降压电路将流经的电压进行降压;降压后的电源电流再经过直流转换电路变成直流电源,转换后的直流电源再经过显示电路进行显示,然后经过开关控制电路的控制端使主线路接通,接通后主线路得电,使得控制端的回路持续得电;稳压电路检测连接的主线路上的电压,若主线因为断路或电压不稳时使得稳压电路不能保持,控制端回路断开,电源线不再为后面的负载供电,及时避免在二芯电源线的断线处产生电弧故障,从而避免损坏后端的家用电器或负载避免引发火灾,避免不必要的财产损失或人员伤亡,提高了家用电器的使用安全性。


