授权公布号:CN213253117U
一种植物液萃取浓缩装置
有效
申请
2020-09-23
申请公布
1970-01-01
授权
2021-05-25
预估到期
2030-09-23
| 申请号 | CN202022098313.9 |
| 申请日 | 2020-09-23 |
| 授权公布号 | CN213253117U |
| 授权公告日 | 2021-05-25 |
| 分类号 | B01D11/04 |
| 分类 | 一般的物理或化学的方法或装置; |
| 申请人名称 | 杭州蜂之语蜂业股份有限公司 |
| 申请人地址 | 浙江省杭州市桐庐县乔林路898号 |
专利法律状态
2021-05-25
授权
状态信息
授权
摘要
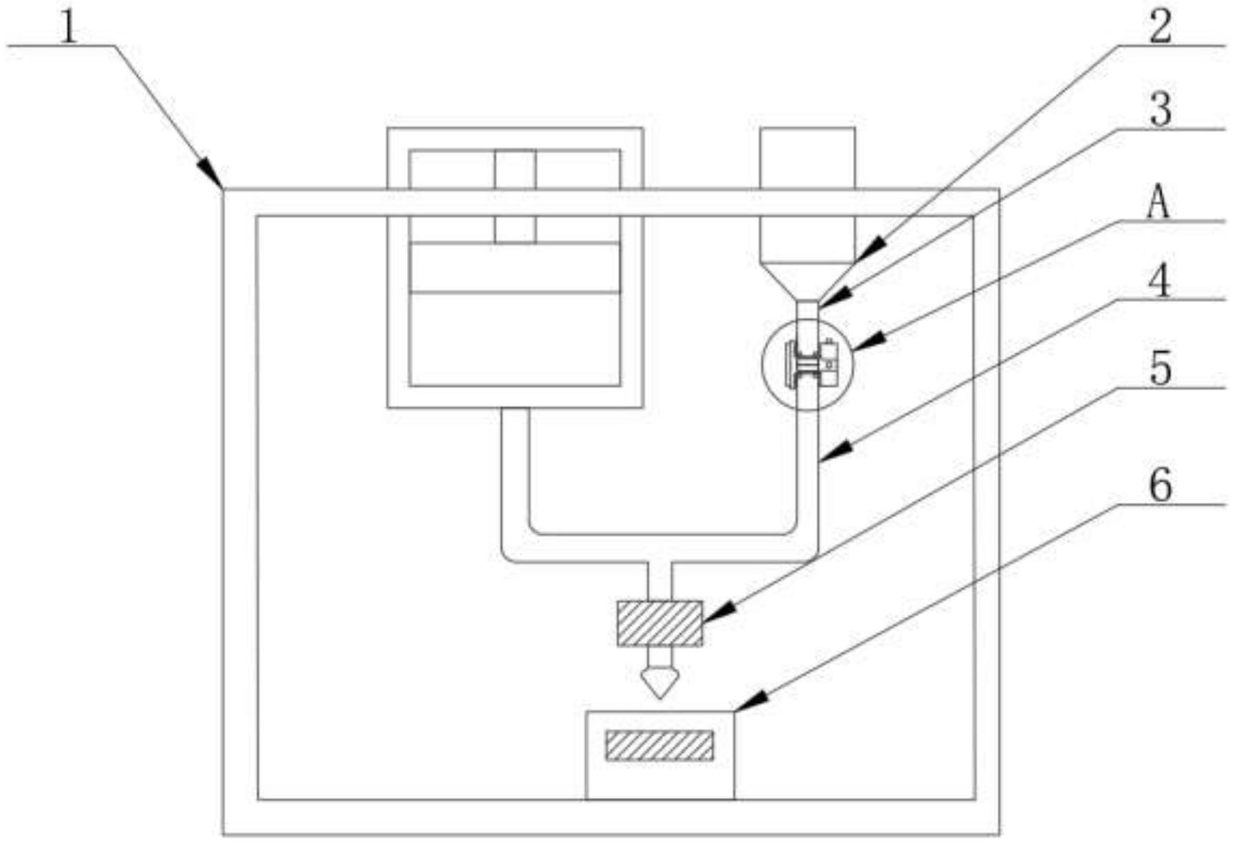
本实用新型公开了一种植物液萃取浓缩装置,包括箱体,所述箱体的顶部固定连接有进料漏斗,所述进料漏斗的底部贯穿于箱体的顶部,并延伸至内部,所述进料漏斗的底部固定连接有进料管,所述进料管的底部活动连接有输料管,所述输料管的底部固定连接有工作箱,箱体的内部底端放置有收集筒,所述进料管的后表面活动连接有固定块,所述固定块的表面固定连接有限位块;通过设计的固定块、限位块、卡块、转动轴和卡环,通过输料管顶部的滤网进行二次过滤,便于对进料管和输料管进行拆卸安装,方便对管道内部进行清理,解决了对管道内部清理不放便,导致装置的工作效率降低的问题。


