授权公布号:CN211018693U
一种双速电机控制装置
有效
申请
2019-11-07
申请公布
1970-01-01
授权
2020-07-14
预估到期
2029-11-07
| 申请号 | CN201921907006.1 |
| 申请日 | 2019-11-07 |
| 授权公布号 | CN211018693U |
| 授权公告日 | 2020-07-14 |
| 分类号 | H02P23/24;H02P25/16 |
| 分类 | 发电、变电或配电; |
| 申请人名称 | 日新恒通电气有限公司 |
| 申请人地址 | 吉林省吉林市船营区迎宾大路1199号 |
专利法律状态
2020-07-14
授权
状态信息
授权
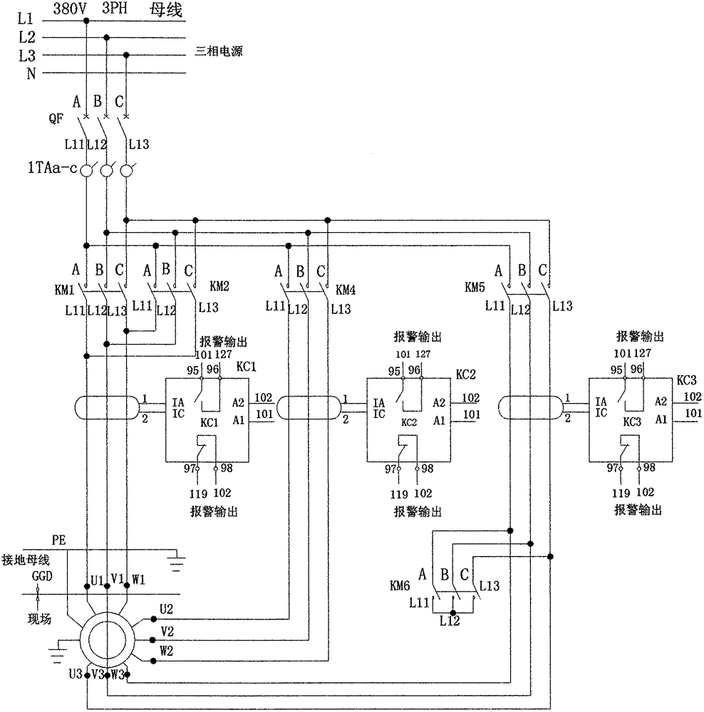
摘要
本实用新型公开了一种双速电机控制装置,包括三相电源、断路器QF、接触器KM1、接触器KM2、接触器KM4、接触器KM5、接触器KM6、电流互感器1TAa‑电流互感器1TAc、马达保护器KC1‑马达保护器KC3以及电机M,所述三相电源的L1端子与断路器QF的三相A输入端连接。本双速电机控制装置,可控制电机M分别处于慢速正反转、中高速运转以及高速运转等多个运行状态,能够保证黄化机在整个黄化过程中的速度要求,采用马达保护器KC1‑马达保护器KC3,对整体运行起到保护作用,马达保护器KC1‑马达保护器KC3外接的报警器在故障时可进行警示,整体运行可靠。


