授权公布号:CN206806160U
一种开启式零序电流互感器
有效
申请
2017-05-04
申请公布
1970-01-01
授权
2017-12-26
预估到期
2027-05-04
| 申请号 | CN201720484614.0 |
| 申请日 | 2017-05-04 |
| 授权公布号 | CN206806160U |
| 授权公告日 | 2017-12-26 |
| 分类号 | H01F38/30;H01F27/02 |
| 分类 | 基本电气元件; |
| 申请人名称 | 大连第二互感器集团有限公司 |
| 申请人地址 | 辽宁省大连市普兰店区太平工业园唐房街1组164号 |
专利法律状态
2017-12-26
授权
状态信息
授权
摘要
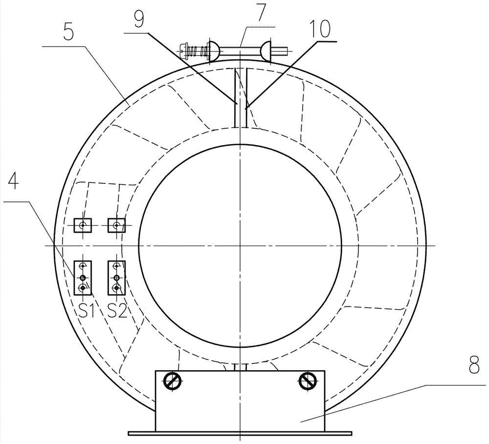
一种开启式零序电流互感器,包括第一半环型绝缘壳体和第二半环型绝缘壳体。第一半环型绝缘壳体内设有第一半环型铁芯。第一半环型铁芯外有第一线圈,第一线圈外有第一外绝缘层。第二半环型绝缘壳体一侧结构相同,第一半环型铁芯上端面有第一导磁层,第一半环型铁芯下端面有第二导磁层。第二半环型铁芯上端面有第三导磁层,第二半环型铁芯下端面有第四导磁层。第一半环型绝缘壳体和第二半环型绝缘壳体对扣起来形成圆环形,在外表面箍有箍带,箍带端头通过螺栓和螺母固定。本实用新型采用卡箍结构,很好地满足了用户装卸的方便性。


