授权公布号:CN220626895U
一种云台控制电路及云台操作系统
有效
申请
2023-08-02
申请公布
1970-01-01
授权
2024-03-19
预估到期
2033-08-02
| 申请号 | CN202322070894.9 |
| 申请日 | 2023-08-02 |
| 授权公布号 | CN220626895U |
| 授权公告日 | 2024-03-19 |
| 分类号 | G05B19/042 |
| 分类 | 控制;调节; |
| 申请人名称 | 中国联合网络通信集团有限公司 |
| 申请人地址 | 北京市西城区金融大街21号 |
专利法律状态
2024-03-19
授权
状态信息
授权
摘要
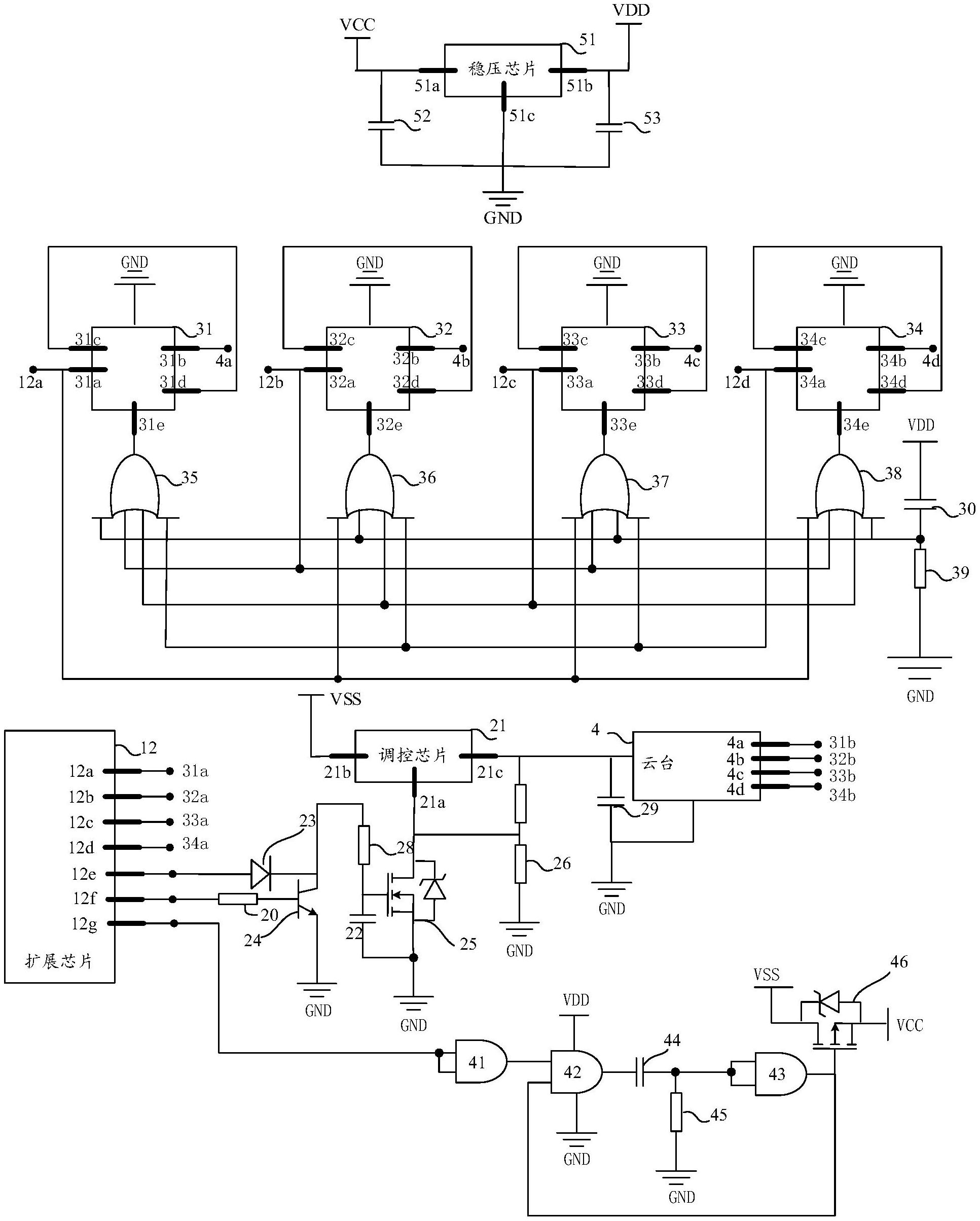
本实用新型公开一种云台控制电路及云台操作系统,涉及电子技术领域,解决了云台控制电路中部件难以维修与更换的问题。云台控制电路包括解码电路、调控电路和逻辑控制电路。云台与云台控制电路连接。解码电路与逻辑控制电路电连接,逻辑控制电路还与云台电连接。解码电路还与调控电路电连接,调控电路与云台电连接。解码电路被配置为接收控制指令,对控制指令解码生成控制信号,并将控制信号传输至调控电路或逻辑控制电路。调控电路被配置为在接收到控制信号的情况下,控制云台的运动速度。逻辑控制电路被配置为在接收到控制信号的情况下,控制云台的运动方向。云台控制电路用于控制云台。


