授权公布号:CN218393408U
一种物料双锥混合机
有效
申请
2022-08-29
申请公布
1970-01-01
授权
2023-01-31
预估到期
2032-08-29
| 申请号 | CN202222316193.4 |
| 申请日 | 2022-08-29 |
| 授权公布号 | CN218393408U |
| 授权公告日 | 2023-01-31 |
| 分类号 | B01F33/501;B01F29/64;B01F35/93 |
| 分类 | 一般的物理或化学的方法或装置; |
| 申请人名称 | 杭州钱江干燥设备有限公司 |
| 申请人地址 | 浙江省杭州市西湖区高技街32号371室 |
专利法律状态
2023-01-31
授权
状态信息
授权
摘要
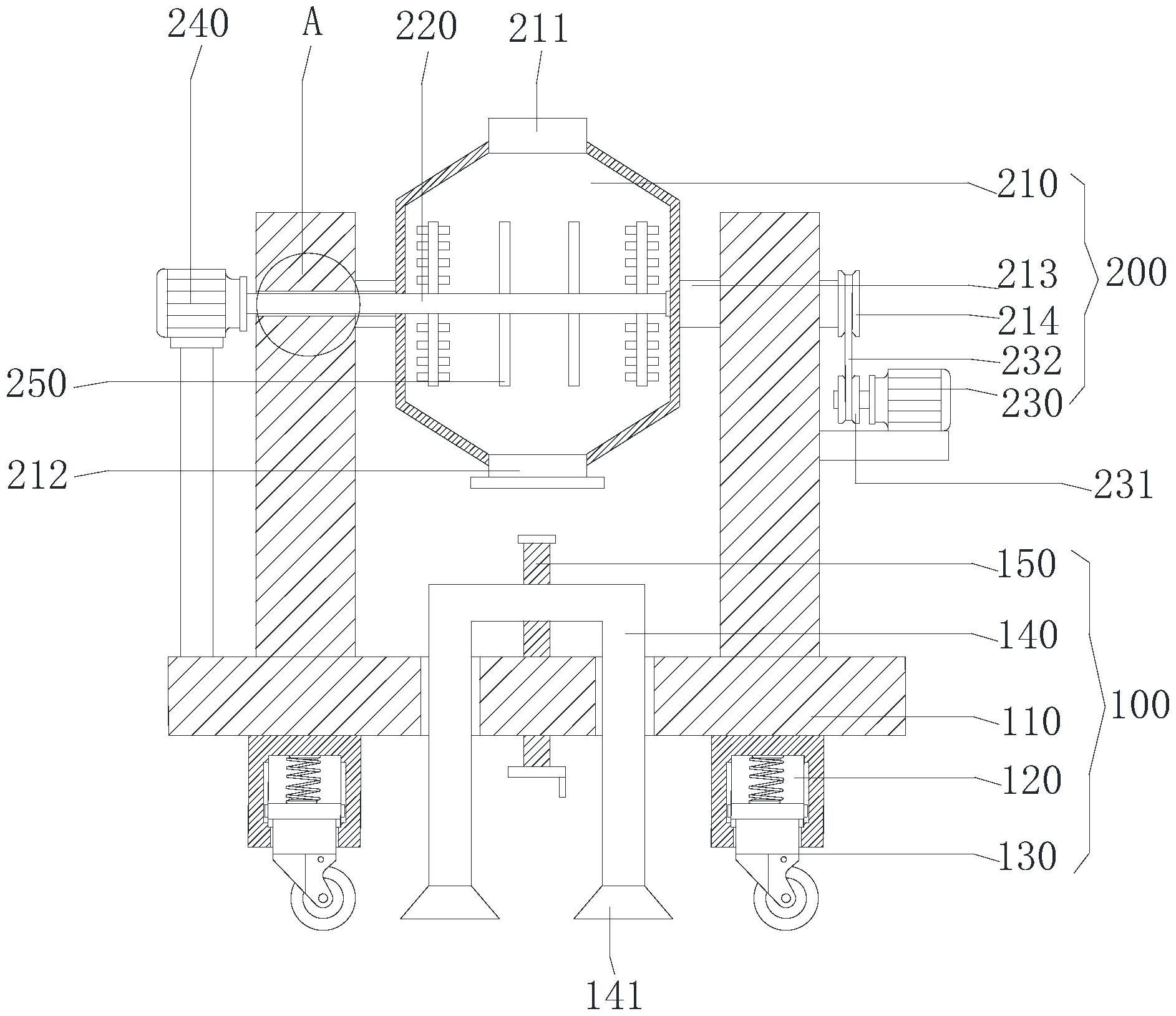
本申请提供了一种物料双锥混合机,属于双锥混合机技术领域。该物料双锥混合机包括移动组件和搅拌组件,对物料进行干燥时,可以先将物料放入锥筒内部,当第一电机启动时会带动锥筒进行转动,第二电机会带动搅拌杆和加热棒进行转动,可以对物料进行搅拌,防止物料出现混合不均匀,同时加热棒可以对物料不同位置进行加热,提高了烘干均匀度,同时通过万向轮可以进行移动,并且缓冲件可以起到缓冲减震的作用,移动到需要的位置时,螺纹杆会带动支撑架向下移动,直至与地面相贴合,可以对支撑台进行稳定,进而对物料进行混合时,防止出现混合不均匀的现象,提升了物料的干燥效果,并且方便对其进行移动,从而提高了实用性。


