授权公布号:CN205081765U
振荡器电路
有效
申请
2015-07-01
申请公布
1970-01-01
授权
2016-03-09
预估到期
2025-07-01
| 申请号 | CN201520465370.2 |
| 申请日 | 2015-07-01 |
| 授权公布号 | CN205081765U |
| 授权公告日 | 2016-03-09 |
| 分类号 | H03K3/012 |
| 分类 | 基本电子电路; |
| 申请人名称 | 意法半导体(中国)投资有限公司 |
| 申请人地址 | 上海市闵行区东川路555号丁楼4层 |
专利法律状态
2016-03-09
授权
状态信息
授权
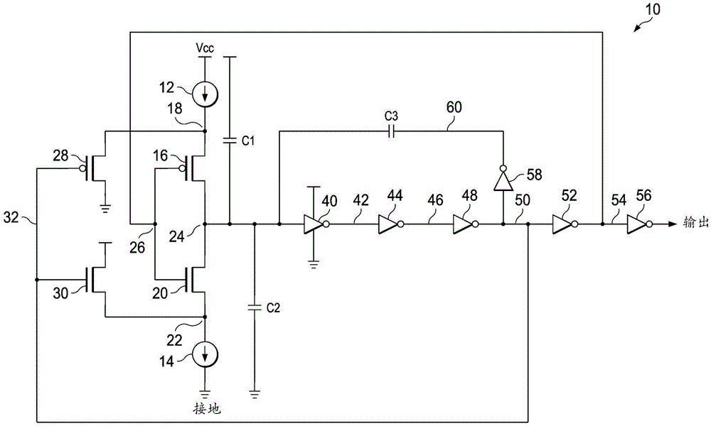
摘要
一种低电流和高频振荡器电路,该振荡器电路运行用于使用充电电路选择性地对电容进行充电和放电。反相电路包括第一晶体管、第二晶体管、第三晶体管和第四晶体管,这些晶体管具有串联耦合的源漏路径。第二和第三晶体管作为反相器与被耦合到电容上的输入和输出相连接。反馈回路将反相器的输出耦合到充电电路的输入上。第一分流晶体管被配置成用于响应于反馈路径中的反馈信号的第一逻辑状态而选择性地跨第一晶体管进行分流。第二分流晶体管被配置成用于响应于反馈路径中的反馈信号的第二逻辑状态而选择性地跨第四晶体管进行分流。


