授权公布号:CN210342959U
一种电子防盗门锁的智能锁芯
有效
申请
2019-03-04
申请公布
1970-01-01
授权
2020-04-17
预估到期
2029-03-04
| 申请号 | CN201920271554.3 |
| 申请日 | 2019-03-04 |
| 授权公布号 | CN210342959U |
| 授权公告日 | 2020-04-17 |
| 分类号 | E05B47/00;E05B15/00 |
| 分类 | 锁;钥匙;门窗零件;保险箱; |
| 申请人名称 | 深圳市同创新佳科技有限公司 |
| 申请人地址 | 广东省深圳市龙岗区同乐社区水田路20号 |
专利法律状态
2020-04-17
授权
状态信息
授权
摘要
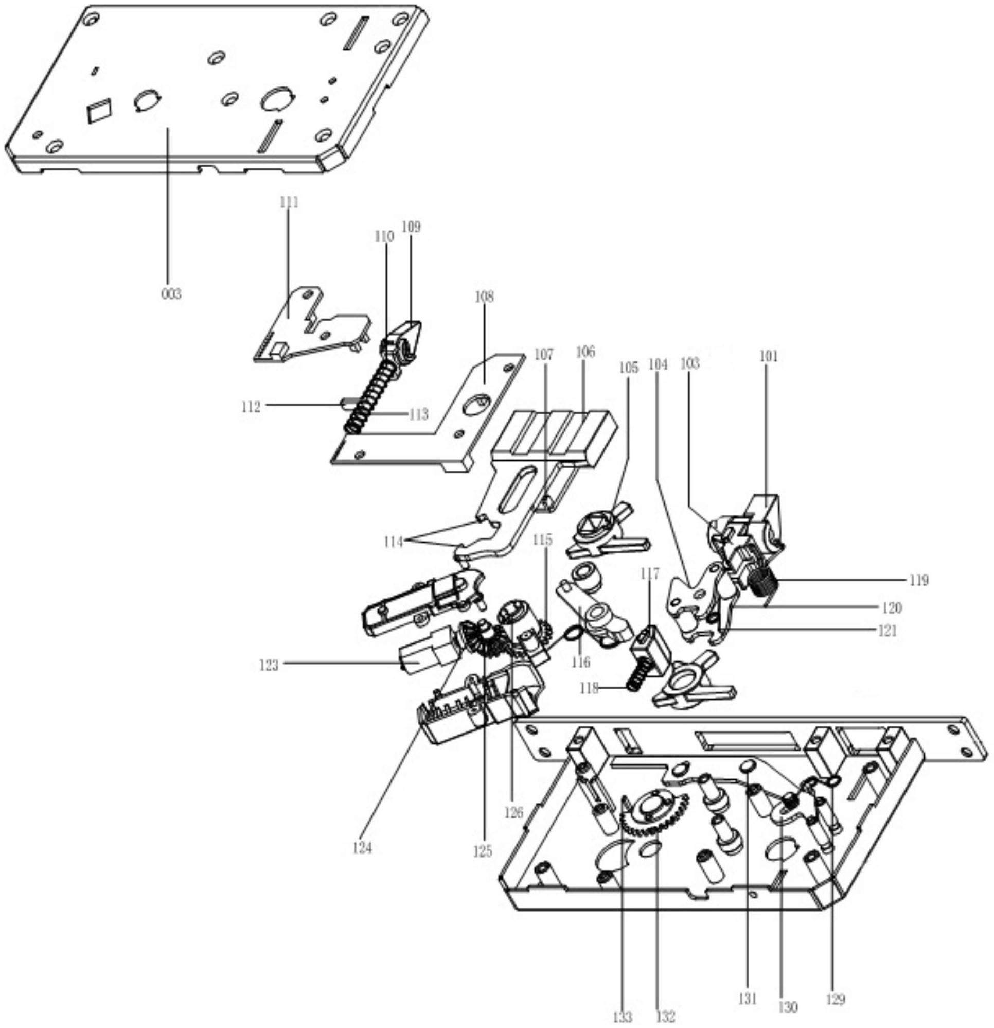
本实用新型涉及一种电子防盗门锁的智能锁芯,包括侧板及一侧开放的锁壳、固定在所述锁壳顶侧的锁盖、装在所述锁壳内的剪刀舌组件、主锁舌组件、拨拖组件、碰舌组件、解锁组件、电机驱动组件以及驱动板组件,所述驱动板组件向电机驱动组件发出开门或关门的指示,所述电机驱动组件通过齿轮传动以及拨拖组件带动所述主锁舌组件运动,所述主锁舌组件运动至一定位置时与所述驱动板组件光耦重合,所述剪刀舌组件伸出或缩回完成关门或开门。通过齿轮传动带动主锁舌组件运动,主锁舌组件运动至一定位置后与驱动板组件光耦重合使电机停止,剪刀舌组件伸出或缩回完成关门或开门,通过电子控制实现开关门,是全自动电子防盗门锁的智能锁芯,安全性高。


