授权公布号:CN218950762U
一种曳引机安装座及曳引机安装结构
有效
申请
2022-11-17
申请公布
1970-01-01
授权
2023-05-02
预估到期
2032-11-17
| 申请号 | CN202223059393.2 |
| 申请日 | 2022-11-17 |
| 授权公布号 | CN218950762U |
| 授权公告日 | 2023-05-02 |
| 分类号 | B66B11/04 |
| 分类 | 卷扬;提升;牵引; |
| 申请人名称 | 宁波宏大电梯有限公司 |
| 申请人地址 | 浙江省宁波市鄞州区东吴镇西村 |
专利法律状态
2023-05-02
授权
状态信息
授权
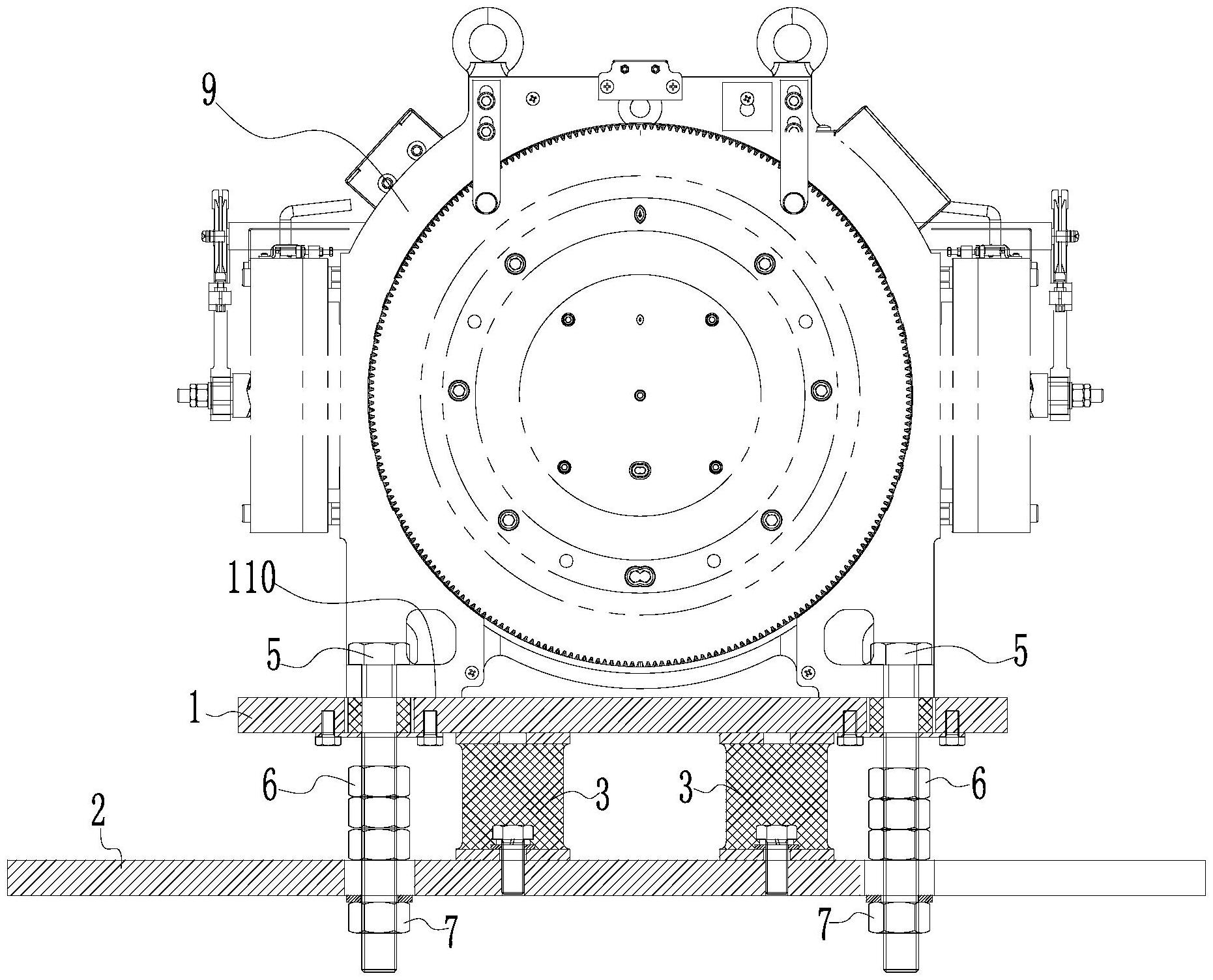
摘要
本实用新型涉及电梯技术领域,公开一种曳引机安装座及曳引机安装结构,该曳引机安装座包括:呈间隔设置的上主机板和下主机板,上主机板上具有供曳引机安装的安装部;若干减震垫,设置在上主机板和下主机板之间,与上主机板和/或下主机板连接,减震垫的上端与上主机板相抵,减震垫的下端与下主机板相抵,上主机板可向下压缩减震垫。本实用新型的优点在于,本曳引机安装座可吸收曳引机工作时产生的振动,可起到吸振降噪的作用。


