授权公布号:CN111555326B
一种节能电梯控制装置及方法
有效
申请
2020-05-22
申请公布
2020-08-18
授权
2024-01-23
预估到期
2040-05-22
| 申请号 | CN202010443074.8 |
| 申请日 | 2020-05-22 |
| 申请公布号 | CN111555326A |
| 申请公布日 | 2020-08-18 |
| 授权公布号 | CN111555326B |
| 授权公告日 | 2024-01-23 |
| 分类号 | H02J3/32;H02J7/34;H02M1/32 |
| 分类 | 发电、变电或配电; |
| 申请人名称 | 上海三菱电梯有限公司 |
| 申请人地址 | 上海市闵行区江川路811号 |
专利法律状态
2024-01-23
授权
状态信息
授权
2021-06-18
实质审查的生效
状态信息
实质审查的生效;IPC(主分类):H02J3/32;申请日:20200522
2020-08-18
公布
状态信息
公布
摘要
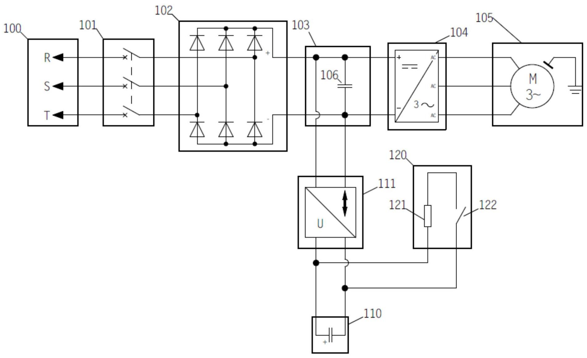
本发明公开了一种节能电梯控制装置及方法,属于电梯节能技术领域,装置包括:电源端、整流模块、直流母线、逆变模块、曳引电机、储能电容、放电模块;方法包括:检测储能电容中存储的第一电能值,处理得到储能电容的第一可储电能值,判断第一可储电能值大小,于实时电能值大于第一电能值时,使放电模块处于接通状态;采用称重单元测量电梯的轿厢重量,并根据轿厢重量处理得到本次电梯运行的再生功率,根据电梯的下一目的层处理得到本次电梯的运行时间;处理得到延时时间,电梯于再次启动后经过延时时间后断开放电模块;有益效果是:延长放电时间,降低单位时间内需要消耗的电能值,从而降低放电单元的设置成本。


