授权公布号:CN207373688U
一种弹力覆膜压紧结构
有效
申请
2017-11-06
申请公布
1970-01-01
授权
2018-05-18
预估到期
2027-11-06
| 申请号 | CN201721461859.8 |
| 申请日 | 2017-11-06 |
| 授权公布号 | CN207373688U |
| 授权公告日 | 2018-05-18 |
| 分类号 | B29C63/02 |
| 分类 | 塑料的加工;一般处于塑性状态物质的加工; |
| 申请人名称 | 辽宁新世界科技股份有限公司 |
| 申请人地址 | 辽宁省鞍山市千山优格街19号 |
专利法律状态
2018-05-18
授权
状态信息
授权
摘要
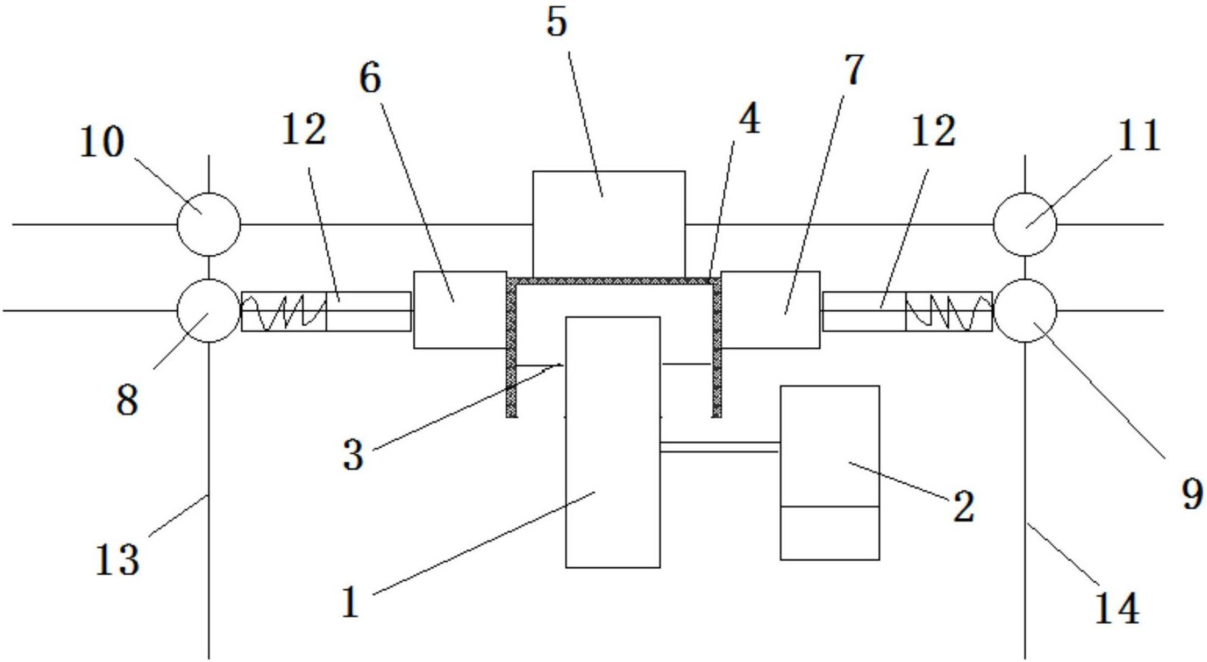
本实用新型公开一种弹力覆膜压紧结构,包括承载轮,所述承载轮由驱动轮带动旋转;工件的下表面搭接在所述承载轮的表面上;工件的上表面及两边的侧表面覆盖有胶膜,胶膜的外部分别设置左压轮、上压轮及右压轮;所述左压轮通过连杆固定在左连接柱上,右压轮通过连杆固定在右连接柱上,上压轮的连杆分别与左上连接柱和右上连接柱固定,左连接柱和左上连接柱均固定在左支柱上,右连接柱和右上连接柱均固定在右支柱上;左连接柱和左压块间设置弹簧,右连接柱和右压块间设置弹簧。本实用新型的优点是:由于采用了弹簧,因此,能够保证左压轮及右压轮对胶膜的压力,保证了贴合效果。


