授权公布号:CN210261741U
一种松花肽制备及纯化工艺系统
有效
申请
2019-06-11
申请公布
1970-01-01
授权
2020-04-07
预估到期
2029-06-11
| 申请号 | CN201920875722.X |
| 申请日 | 2019-06-11 |
| 授权公布号 | CN210261741U |
| 授权公告日 | 2020-04-07 |
| 分类号 | C12M1/00;C12M1/40;C12M1/12;C12M1/08 |
| 分类 | 生物化学;啤酒;烈性酒;果汁酒;醋;微生物学;酶学;突变或遗传工程; |
| 申请人名称 | 浙江亚林生物科技股份有限公司 |
| 申请人地址 | 浙江省杭州市富阳区富春街道公望街11号 |
专利法律状态
2020-04-07
授权
状态信息
授权
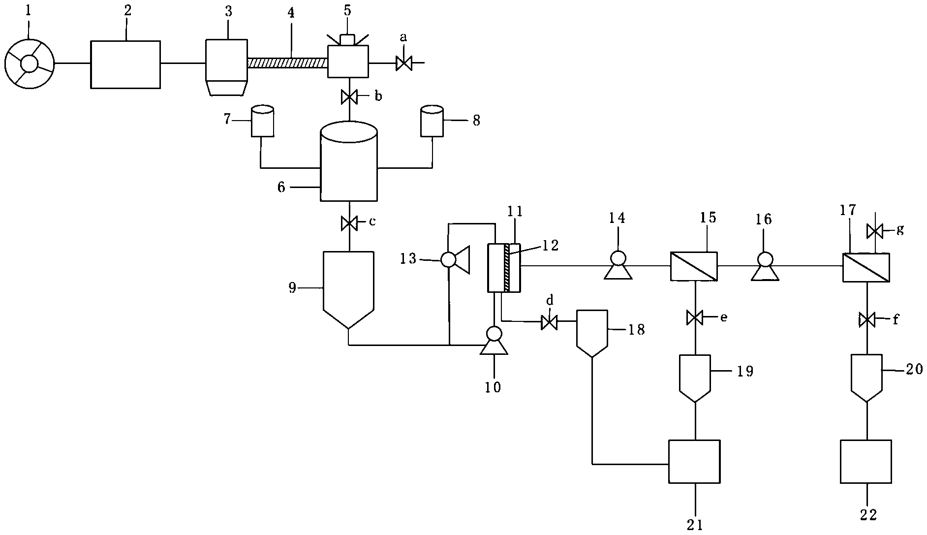
摘要
本实用新型公开了一种松花肽制备及纯化工艺系统,包括:进粉组件,连接于进粉组件的气流破壁机,连接于气流破壁机的超临界脱脂设备,接于超临界脱脂设备后的酶解罐,酶解罐分别与酸碱罐、配制罐相连,连接于酶解罐后的超滤循环组件,连接于超滤循环组件的第一纳滤系统,连接于第一纳滤系统的第二纳滤系统,连接于超滤循环组件和第一纳滤系统的喷雾干燥系统,连接于第二纳滤系统的冷冻干燥系统;本实用新型能够在获得不同分子量的松花肽基础上,得到松花粉超临界提取物和松花粉水提物,使得松花粉获得更加全面应用。


