授权公布号:CN218819642U
PCB焊接中氮气自动供给装置
有效
申请
2022-12-22
申请公布
1970-01-01
授权
2023-04-07
预估到期
2032-12-22
| 申请号 | CN202223446460.6 |
| 申请日 | 2022-12-22 |
| 授权公布号 | CN218819642U |
| 授权公告日 | 2023-04-07 |
| 分类号 | F17C13/04;F17C13/00;F17D1/02;F17D3/01 |
| 分类 | 气体或液体的贮存或分配; |
| 申请人名称 | 采埃孚汽车系统(上海)有限公司 |
| 申请人地址 | 上海市嘉定区百安公路188号 |
专利法律状态
2023-04-07
授权
状态信息
授权
摘要
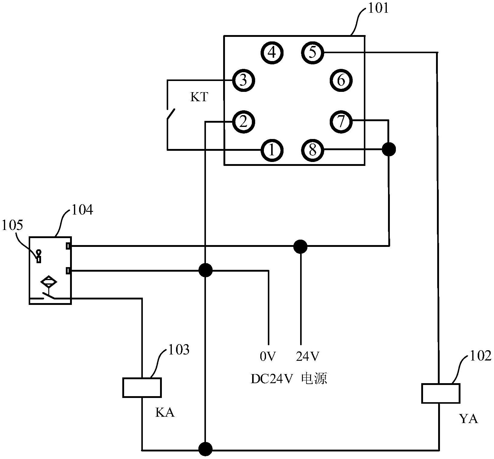
本实用新型提供了一种PCB焊接中氮气自动供给装置,其结构包括:感应器(104),感应器(104)用于感应是否有PCB进入焊接室,若有PCB进入焊接室,则产生第一信号,若无PCB进入焊接室,则产生第二信号;电磁阀(102),电磁阀(102)连接感应器(104),电磁阀(102)在接收到第一信号时导通;时间继电器(101),时间继电器(101)分别连接感应器(104)和电磁阀(102),在时间继电器(101)接收到第二信号时,经过设定的延时时间后,关闭电磁阀(102)。本实用新型能够实现自动控制氮气的供应与停止,避免氮气浪费,经济性好,也避免增加PCB焊接的质量风险。


