授权公布号:CN217216378U
一种全桥电路下桥臂共用驱动电源电路
有效
申请
2022-02-18
申请公布
1970-01-01
授权
2022-08-16
预估到期
2032-02-18
| 申请号 | CN202220329399.8 |
| 申请日 | 2022-02-18 |
| 授权公布号 | CN217216378U |
| 授权公告日 | 2022-08-16 |
| 分类号 | H02M3/335;H02M1/088 |
| 分类 | 发电、变电或配电; |
| 申请人名称 | 华域汽车电动系统有限公司 |
| 申请人地址 | 上海市浦东新区金闻路88号 |
专利法律状态
2022-08-16
授权
状态信息
授权
摘要
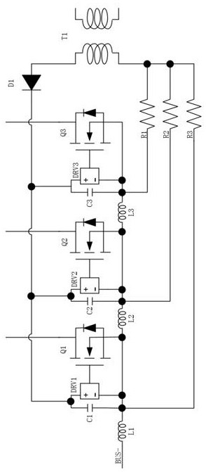
一种全桥电路下桥臂共用驱动电源电路,包括反激电源,二极管的阴极与第一电容器的第一端以及第一驱动芯片的正极连接,第一电容器的第二端和第一驱动芯片的负极与第一功率器件的集电极以及第三电阻器的一端连接,第一功率器件的门极与第一驱动芯片的驱动端连接,第三电阻器的另一端与反激电源的另一端连接。本实用新型增加了用于回路隔离的适当阻值的第一电阻器、第二电阻器、第三电阻器,形成独立的第一电源、第二电源、第三电源,第一电源、第二电源、第三电源分别以下桥臂的三个源极为参考,独立为第一驱动芯片、第二驱动芯片、第三驱动芯片供电,第一功率器件、第二功率器件、第三功率器件的栅源电压保持一致,从而获得一致的开通和关断速度。


