授权公布号:CN212898929U
高稳定性的真空装置
有效
申请
2020-06-30
申请公布
1970-01-01
授权
2021-04-06
预估到期
2030-06-30
| 申请号 | CN202021242273.4 |
| 申请日 | 2020-06-30 |
| 授权公布号 | CN212898929U |
| 授权公告日 | 2021-04-06 |
| 分类号 | F04C28/28;F04C25/02;F04C28/02;F04C23/00 |
| 分类 | 液体变容式机械;液体泵或弹性流体泵; |
| 申请人名称 | 南通江山农药化工股份有限公司 |
| 申请人地址 | 江苏省南通市经济技术开发区江山路998号 |
专利法律状态
2021-04-06
授权
状态信息
授权
摘要
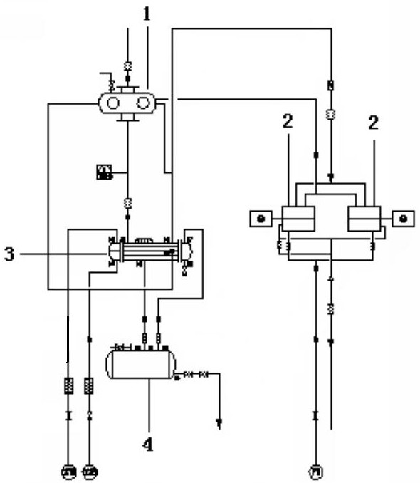
本实用新型提供了一种高稳定性的真空装置,由干式螺杆真空泵、罗茨真空泵、冷凝器与分水罐依次连接组成,罗茨真空泵通过连接件与两台并联的干式螺杆真空泵连接在一体。本实用新型提高了抽吸真空时的真空度稳定性和设备的使用寿命。


