授权公布号:CN207074957U
适用于人造金刚石六面顶液压设备的加热系统
有效
申请
2017-07-26
申请公布
1970-01-01
授权
2018-03-06
预估到期
2027-07-26
| 申请号 | CN201720916056.0 |
| 申请日 | 2017-07-26 |
| 授权公布号 | CN207074957U |
| 授权公告日 | 2018-03-06 |
| 分类号 | H02M3/335;H02G3/03 |
| 分类 | 发电、变电或配电; |
| 申请人名称 | 郑州华晶金刚石股份有限公司 |
| 申请人地址 | 河南省郑州市高新区冬青街53号 |
专利法律状态
2020-04-24
专利权的保全及其解除
状态信息
专利权的保全 IPC(主分类):H02M3/335 授权公告日:20180306 登记生效日:20200318
2018-03-06
授权
状态信息
授权
摘要
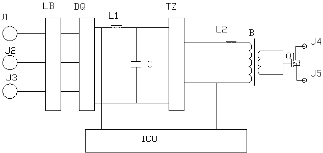
适用于人造金刚石六面顶液压设备的加热系统,包括直流电源模块、水冷电缆和处理单元,直流电源模块上设有三相电输入端子以及正输出端子和负输出端子,直流电源模块包括滤波器、二极管桥式整流器、LC滤波电路、IGBT占空比调节模块、变压器和MOS管,滤波器的信号输入端连接三相电输入端子,滤波器的信号输出端连接二极管桥式整流器的信号输入端,二极管桥式整流器的信号输出端连接LC滤波电路的信号输入端,LC滤波电路的信号输出端连接IGBT占空比调节模块的信号输入端,IGBT占空比调节模块的信号输出端连接变压器的原边,MOS管的漏极和源极分别连接正输出端子和负输出端子。本实用新型所述系统,稳定性高,降低能耗,通过人造金刚石合成过程中的稳定性。


