授权公布号:CN206760680U
自动皮蛋包泥裹糠机
有效
申请
2017-03-31
申请公布
1970-01-01
授权
2017-12-19
预估到期
2027-03-31
| 申请号 | CN201720331254.0 |
| 申请日 | 2017-03-31 |
| 授权公布号 | CN206760680U |
| 授权公告日 | 2017-12-19 |
| 分类号 | A23L15/00;A23P30/00 |
| 分类 | 其他类不包含的食品或食料;及其处理; |
| 申请人名称 | 湖北神丹健康食品有限公司 |
| 申请人地址 | 湖北省孝感市安陆解放大道东3号 |
专利法律状态
2017-12-19
授权
状态信息
授权
摘要
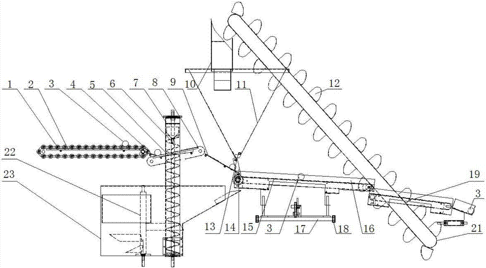
本实用新型公开了一种自动皮蛋包泥裹糠机,包括依次设置的蛋品定位输送装置、淋泥装置和裹糠装置,其中,蛋品定位输送装置包括用于调整皮蛋滚动姿态及定位的波浪形滚轴以及用于驱动波浪形滚轴转动的第一驱动装置;淋泥装置包括用于输出泥浆的绞龙、安装于绞龙上的出泥嘴、多根平行设置用于传送皮蛋的搁蛋杆、以及驱动该搁蛋杆移动的第二驱动装置;裹糠装置包括用于存放糠粉的糠斗、位于该糠斗下方且可往复运动以对皮蛋进行裹糠的裹糠盘、位于裹糠盘内以传送皮蛋的第一传送带、连接淋泥装置和裹糠盘的滤泥支架、位于裹糠盘尾端的第二传送带以及位于该第二传送带尾端的出蛋栅格。本实例提出的自动皮蛋包泥裹糠机,降低了工人的劳动强度。


