授权公布号:CN209375499U
一种中高压固态电机软起动器高频隔离供电电路
有效
申请
2018-09-26
申请公布
1970-01-01
授权
2019-09-10
预估到期
2028-09-26
| 申请号 | CN201821572305.X |
| 申请日 | 2018-09-26 |
| 授权公布号 | CN209375499U |
| 授权公告日 | 2019-09-10 |
| 分类号 | H02P1/02 |
| 分类 | 发电、变电或配电; |
| 申请人名称 | 上海雷诺尔科技股份有限公司 |
| 申请人地址 | 上海市嘉定区城北路3980号1幢 |
专利法律状态
2020-04-03
专利权人的姓名或者名称、地址的变更
状态信息
专利权人的姓名或者名称、地址的变更IPC(主分类):H02P1/02变更前 专利权人:上海雷诺尔科技股份有限公司 地址:201800 上海市嘉定区城北路3980号1幢变更后 专利权人:上海雷诺尔科技股份有限公司 地址:201800 上海市嘉定区城北路3968弄188号1幢
2019-09-10
授权
状态信息
授权
摘要
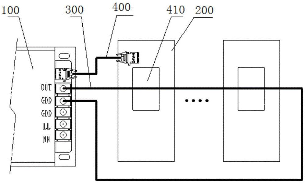
本实用新型公开了一种中高压固态电机软起动器高频隔离供电电路,其特征在于,包括一高频电源、若干采样板,所述高频电源的LL端和NN端接市电220VAC,所述高频电源的一个GDD端接地,另一个GDD端和OUT端接一硅胶线的两端,每一采样板上设置有一高频磁环和与高频磁环连接的感应电源以及与感应电源输出端连接的光耦,所述光耦的输出端通过光纤连接至所述高频电源的光信号反馈端;所述硅胶线穿过所有的高频磁环。本实用新型利用高耐压硅胶线和高频磁环将能量传递至感应电源,隔离的耐压等级达到42000V。本实用新型还利用光耦和光纤将感应电源的采样信号反馈至高频电源,达到稳定高频电源的输出功率和输出电压的目的。


