授权公布号:CN109183902B
屋面楼板内嵌永久性玻璃钢箱体式雨水储存利用系统
有效
申请
2018-09-30
申请公布
2019-01-11
授权
2023-12-22
预估到期
2038-09-30
| 申请号 | CN201811162911.9 |
| 申请日 | 2018-09-30 |
| 申请公布号 | CN109183902A |
| 申请公布日 | 2019-01-11 |
| 授权公布号 | CN109183902B |
| 授权公告日 | 2023-12-22 |
| 分类号 | E03B3/02;E03B7/04;E03B7/09 |
| 分类 | 给水;排水; |
| 申请人名称 | 湖南建工集团有限公司 |
| 申请人地址 | 湖南省长沙市天心区芙蓉南路一段788号 |
专利法律状态
2023-12-22
授权
状态信息
授权
2019-01-11
公布
状态信息
公布
摘要
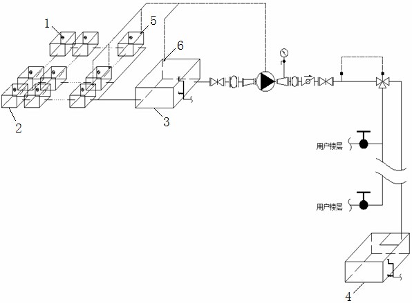
屋面楼板内嵌永久性玻璃钢箱体式雨水储存利用系统,包括雨水地漏、玻璃钢储水箱、集水箱、楼层分配系统、地面储水箱,所述雨水地漏与玻璃钢储水箱相连,所述玻璃钢储水箱呈网格式内嵌于顶层屋面楼板内,所有玻璃钢储水箱通过管件相连,最后排的玻璃钢储水箱通过管路与集水箱相连,所述集水箱内嵌于顶层屋面楼板内,所述集水箱通过管路、控制阀及水泵分别与楼层分配系统、地面储水箱相连接。本发明具有重量轻,结构简单,使用方便,成本低、经济效益和社会效益双赢等优点,适用于住宅屋面及超高层公共建筑屋面雨水收集的再次利用。


